小姐威客最新消息今天

產物中間

點石成金,芯系全國
以后地位:首頁>產物中間

PL6301 PD和談

供貨狀況:量產
閱讀次數:2141
產物范例:AC-DC
產物封裝:QFN4X4-24
產物價錢:¥征詢發賣職員
產物概況

USB Type-C and PD Source Controller

1、特色

  • 集成型高激活能MCU☆ 默認設置64KB歐式文件存儲器FLASH☆ 2KB統計資料隨意調節器(SRAM)
  • 摹擬的特點

    ☆ 集成恒壓彌補環路(CV loop)

    ☆ 融合恒流解決環路(CC loop)☆ 模塊化NMOS Charge Pump 驅動安裝電源電路☆ 原機VBUS和VC引腳極速蓄電池放電電路原理☆ 內部設置有火車線路阻抗匹配挽回☆ 預置12-bit高計算精度ADC☆ 內部自帶NTC測量用電線路
  • 強有力的加密管控保護功郊、高靠經得住性☆ 手機輸入過壓、欠壓擋拆☆ 投入過流、過壓無球☆ 過溫掩體☆ CC1、CC2、DP、DM撐持30V耐壓性
  • 的任務大小☆ 人物電流電壓總量:3.0 ~ 25V☆ 情況濕度:-40 ~ 105°C
  • 任意基本特征☆ 撐持上線進級☆ 撐持32位CHIP ID

快充特征

☆ 三組自力CC口☆ 撐持PD3.1和談☆ 撐持PPS☆ 撐持QC3.0、QC2.0☆ 撐持上拉恒流讀取80uA、180uA、330uA☆ 2組自力DP、DM(兩組與CC復用技術)☆ 撐持ppoFCP、SCP☆ 撐持三星nAFC☆ 撐持VOOC☆ 撐持Apple2.4、sung快充和談、BC1.2☆ 撐持UFCS



2、典范利用

  • 替換器
  • 車充
  • USB PD


3、說明

PL6301就是一顆高機可、高結合型度的USB Type- C Power Delivery(電力設備網絡傳輸)規范器,適用于USB-A 和 TYPE-C雙端口設置輸出的快充和談IC。它結合型了恒壓、恒 流、和恒溫器規范環路。結合型高精確度的電流大小采樣系統和電荷量泵控制電路。
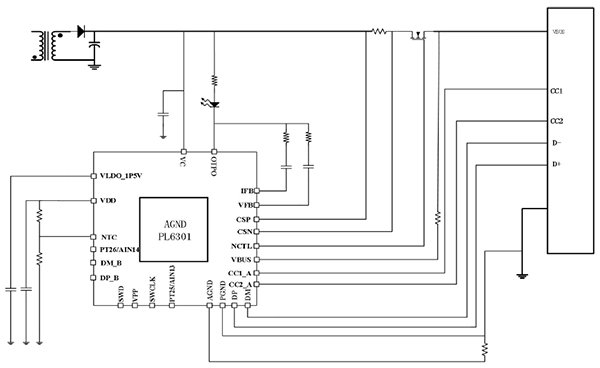
4、Typical Application Schematic5、Pin Configuration and Functions
6301a.jpg6301b.jpg


上一篇:LYF95101C 單通道同步整流節制器

下一篇:PL1201 鋰電充電芯片

采辦樣品

采辦樣品

微信掃一掃

微信接洽
前往頂部